名称
描述
内容
设为首页
|
加入收藏
网站首页
关于我们
工程项目
新闻资讯
信息公示
招贤纳士
联系我们
信息公示
信息公示
当前位置:
网站首页
※
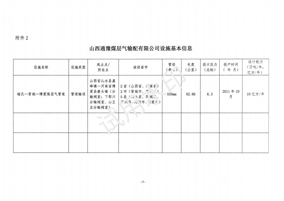
管网设施公平开放管理办法
管网设施公平开放管理办法
来源:
|
作者:
佚名
|
发布时间:
2026-01-28
|
28
次浏览
|
🔊
点击朗读正文
❚❚
▶
|
分享到:
上一篇:
一般工业固体废物信息......
下一篇:
山西通豫煤层气输配有......